Ensemble RXTX - Ensemble RXTX: Power Supply
Band: 30, 20, 17m
Introduction
HamNation Video of this Stage's Build
You might be interested in watching George Thomas' (W5JDX) HamNation presentation of building this (and the following) stage (the presentation begins at 36:30 into the video). Of particular interest is the use of solder paste (obtainable from Cash Olsen) and an embossing gun ( the ~$20 "Hobby Lobby" StampAire) to install the SMT parts.
General Info About the Stage
In this first (and following) stages, the builder should remember that one of the most common causes of errors is soldering. It pays to review materials on soldering, get help from Elmers, or whatever you can do to make your solder joints as clean and properly conductive as possible!
The second most common cause of errors is installation of the WRONG component and/or installing the component in the wrong ORIENTATION. The old rule of "measure twice, cut once" clearly applies to this project. Be especially careful and beware that it is very easy to install the wrong resistor depending entirely in color codes. While color codes are helpful in initially sorting resistors out, it is imperative that you validate that you have the correct resistor by double checking with your ohmmeter. While the ohmmeter reading will never be the exact value, for most of the resistors in this kit, the ohmmeter will get you to within 1% (a very few some are within 5%) of the stated value
The remaining one-tenth of one percent of the causes of errors is the defective component - most suspect the component immediately; the intelligent rarely look first at possible component failure.
Theory of Operation
This stage provides the +5 volt power rail for the radio. The incoming voltage (from 9 - 12 Vdc) is regulated by U1 to a nominal 5 Vdc (4.5 - 5.1 Vdc range). D1 serves to protect the circuit from accidentally reversed polarity.
This stage provides the simple power supply for 12 and 5 volt busses. For TX, be sure your power input is in the 12-14V DC range. For RX testing purposes. any DC input from 9-14 volts is OK.
Note that there are actually four power busses:
- The 12 Volt bus - for transmit
- The 5 volt bus on the "regular" ground plane (this stage) - for powering the Ics installed in the stages following the Local Oscillator stage)
- The "USB 5 Volt" bus - on its own, galvanically isolated "USB ground", for powering the Local Oscillator and the microcontroller. The PC provides the 5V dc via the USB cable. The USB jack is installed in the next stage.
- The 3.3V bus - used in the local oscillator stage and working against the "USB ground". (installed in the next stage)
Summary Build Notes
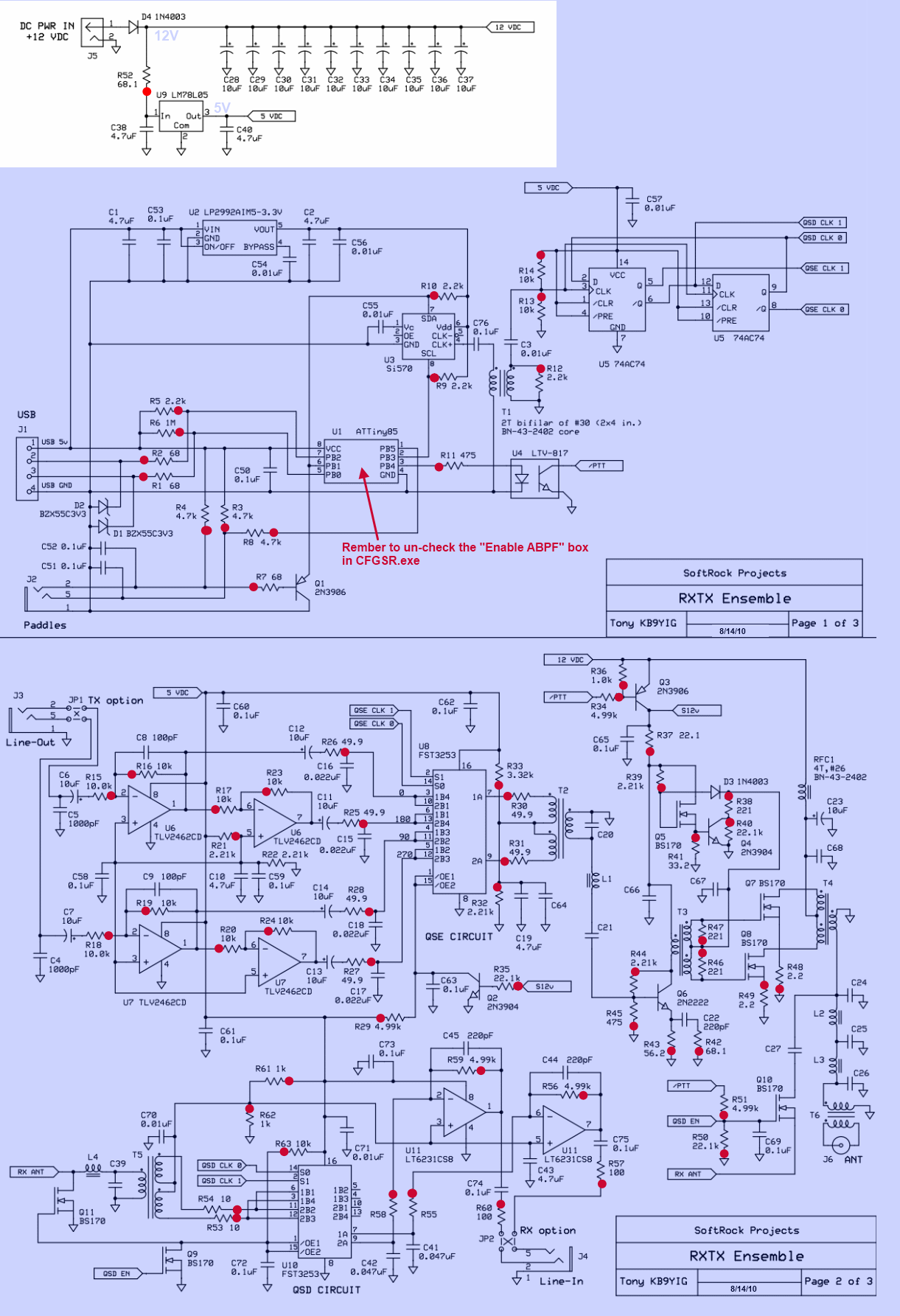
Stage Schematic
Go to Top of Page
Click here for full schematic
Board Layouts
Board Top
Go to Top of Page
Board Bottom
Go to Top of Page
Power Supply Bill of Materials
(30, 20, 17m band option)
(details for installation of each component are provided in the step instructions, further down the page)
| Check | Type | Category | Component | Count | Marking | Image |
|---|---|---|---|---|---|---|
| ☐ | Capacitor | Ceramic | 4.7 uF 10% 16V X7R RAD | 2 | 475 |
|
| ☐ | Capacitor | Electrolytic | 10uF/16 VDC | 10 |
|
|
| ☐ | Connector | Jack-RA | DC Power Jack PCB Mount (rt-angle) 2.5mm | 1 |
|
|
| ☐ | Connector | Plug | DC Power Plug 5.5/2.5mm Pos Ctr | 1 |
|
|
| ☐ | Diode | Axial | 1N4003 | 1 | 1N4003 Rectifier Diode |
|
| ☐ | IC | TO-92 | LM78L05 voltage regulator | 1 | LM78L05 ESD!!! |
|
| ☐ | Resistor | 1/6W | 68 1/6W 5% | 1 | bl-gry-blk-gld |
|
| ☐ | Resistor | 1/4W | 22.1 k 1/4W 1% | 1 | r-r-brn-r-br |
|
Go to Top of Page
Detailed Build Steps
Step_Install Topside Components
Mount the 2 4.7 uF ceramics first and watch out for C38: the silkscreen could lead you to believe it is horizontally oriented when it actually is vertically oriented (N-S) on the board.
Pay careful attention to the polarity of the electrolytic capacitors. The positive lead is usually the longer lead; the negative lead is on the side with the grey stripe and a minus sign.

The diode's polarity is also critical. Mount it such that the cathode end of the diode (with the stripe on it) is a hairpin lead into the square hole.

Resistor R50, while not part of the power supply circuit, is installed in this stage so as to provide a convenient (regular) ground point at its hairpin lead for the tests at the end of this stage and subsequent stages.
| Check | Designation | Component (top/bottom) | Orientation | Marking | Image | Band | Notes |
|---|---|---|---|---|---|---|---|
| ☐ | P1 | DC Power Plug 5.5/2.5mm Pos Ctr (top) |
|
any | |||
| ☐ | C38 | 4.7 uF 10% 16V X7R RAD (top) | vert | 475 |
|
any | |
| ☐ | C40 | 4.7 uF 10% 16V X7R RAD (top) | horiz | 475 |
|
any | |
| ☐ | D4 | 1N4003 (top) | 1N4003 Rectifier Diode |
|
any | Mount hairpin style (barrel in round hole, hairpin lead in square hole) |
|
| ☐ | R52 | 68 1/6W 5% (top) | N-S | bl-gry-blk-gld |
|
any | (some kits may have 1/6W - this version is still OK) |
| ☐ | U09 | LM78L05 voltage regulator (top) | LM78L05 ESD!!! |
|
any | ||
| ☐ | C28 | 10uF/16 VDC (top) |
|
any | |||
| ☐ | C29 | 10uF/16 VDC (top) |
|
any | |||
| ☐ | C30 | 10uF/16 VDC (top) |
|
any | |||
| ☐ | C31 | 10uF/16 VDC (top) |
|
any | |||
| ☐ | C32 | 10uF/16 VDC (top) |
|
any | |||
| ☐ | C33 | 10uF/16 VDC (top) |
|
any | |||
| ☐ | C34 | 10uF/16 VDC (top) |
|
any | |||
| ☐ | C35 | 10uF/16 VDC (top) |
|
any | |||
| ☐ | C36 | 10uF/16 VDC (top) |
|
any | |||
| ☐ | C37 | 10uF/16 VDC (top) |
|
any | |||
| ☐ | R50 | 22.1 k 1/4W 1% (top) | N-S | r-r-brn-r-br |
|
any | Installed and used as (regular) ground reference. |
| ☐ | J5 | DC Power Jack PCB Mount (rt-angle) 2.5mm (top) |
|
any | 2.5mm ID |
Go to Top of Page
Completed Photos
Note: the completed pictures are of the 40m option, which the author built. Other band options (which the author did not build) will appear slightly different (especially the inductors, whose windings and cores will vary by band) for the band-specific components.
Also note that this board was a pre-production board and some component placements are slightly different from those on the production boards.
View of Completed Topside
View of Completed Underside
Go to Top of Page
Progressive Schematic
Where are we in our progress towards the finish line? Click here to view the entire schematic with the completed stages shaded in a yellowish tinge and the remaining stages tinted in blue (the current stage is untinted).
Test the Power Supply Stage
Power Supply - Current draw
Before applying power for the first time, test the resistance across the 12V power rail (positive lead at the point marked for the non-hairpin end of R52; negative lead on a convenient ground (see diagram below)). You should see a very high resistance (over 50 k ohms) and it should climb (as the electrolytic capacitors charge up with the ohmmeter's voltage). Ultimately, you should see an extremely high (or infinite) resistance.
Once you have successfully passed the resistance test, put your mA meter in series with the input voltage positive line and measure the current draw of the power supply.
See Tutorial on Measuring Current for an illustration of how to measure current in a circuit.
Go to Top of Page
Test Steps (if any)
| Step | Test Point | UOM | Nominal | Author's | Builder's |
|---|---|---|---|---|---|
| 2 | Current draw | mA | < 8 | 4.5 |
Go to Top of Page
Power Supply - Voltage Tests
Power up the board with a 12V supply (no limiting resistor) and measure the voltage at the test points indicated.
(Author's measurements below were taken using power from a gel cel whose voltage measured 12.9V)
Voltage measurements are WRT regular ground. For this test you can use the "hairpin" of R50 as a convenient regular ground test point.
Go to Top of Page
Test Steps (if any)
| Step | Test Point | UOM | Nominal | Author's | Builder's |
|---|---|---|---|---|---|
| 0 | Hairpin lead (hole) of R61 (wrt ground) | V dc | 5 (+/- 2%) | 4.94 | |
| 1 | Hairpin lead of D4 (wrt ground) - (with 12.9 V gelcell) | V dc | 12 | 12.3 |
Go to Top of Page