Ensemble RX II (HF/LF) Auto Band Pass Filters
Band: HF
Introduction
Band Specific Components
This stage involves band-specific components and is currently configured for the HF band. If you need to configure this page for a different band, click on the "Band" tab in the menu above. This would take you to the home page, where you can select the new band and then return to this page.
General Info About the Stage
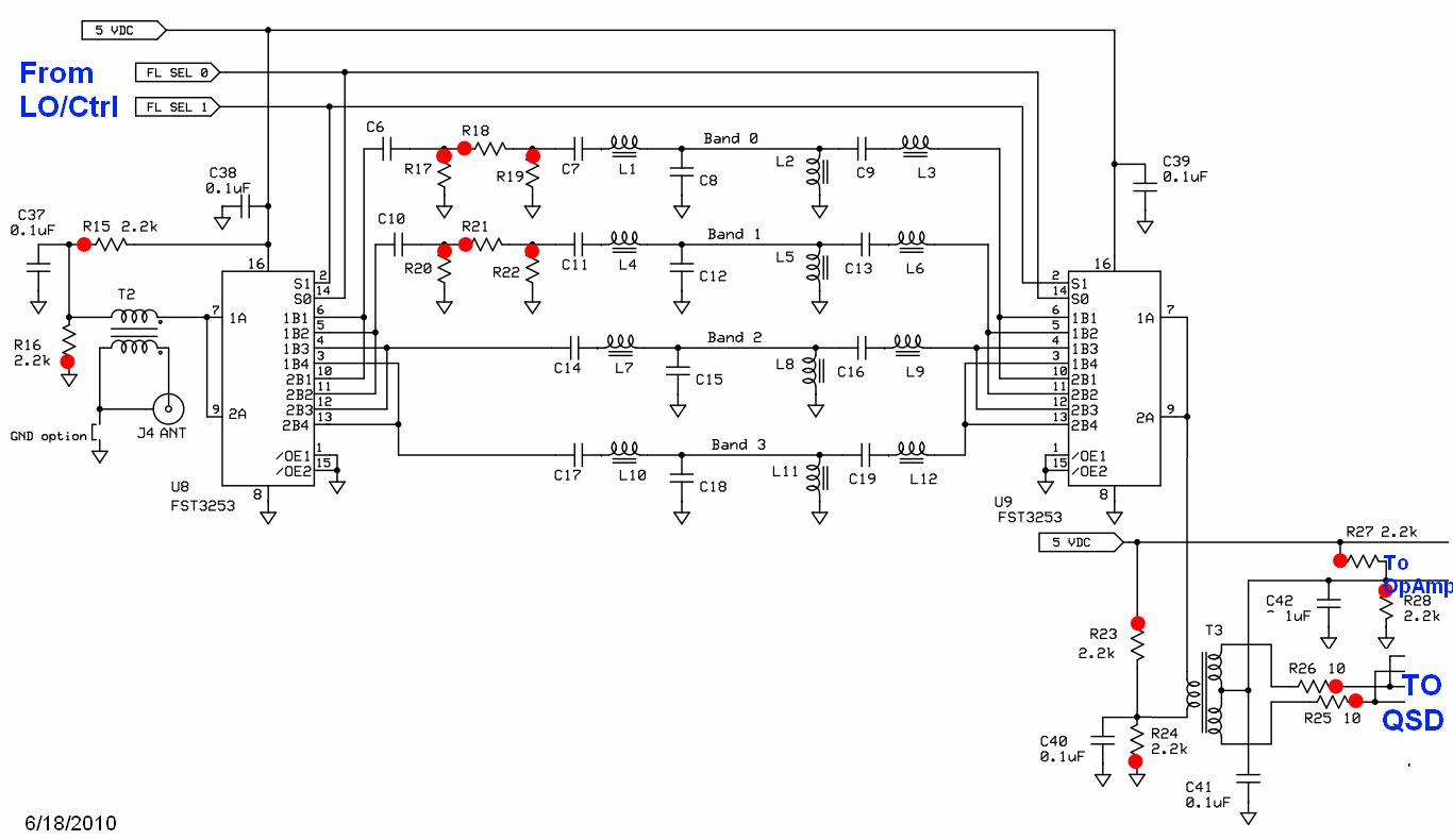
This stage implements the automatic bandpass filtering circuit. The circuit uses two quad multiplexer switches to switch one of four bandpass filters into the QSD input. The filters provide continuous coverage, in four "chunks", from 1.8MHa through 30 MHz in the HF option and 0.180 MHz to 3.0 MHz in the LF option (with some under and overlaps).
Switching is automatic, via the two binary signals, "FL SEL 0" and "FL SEL 1". The ATTiny 85 Microcontroller has a built-in band plan (which the user can adjust, using the facilities in the CFGSR program) which associates any output frequency of the Local Oscillator to the most appropriate filter and issues the corresponding bits to "FL SEL 0" and "FL SEL 1", per the following truth table:
Filter Selection Truth Table
(Frequencies in the Low/High columns are given for the HF option, with the frequencies for the LF option shown inside of parentheses)
| Sel 1 (R12) | Sel 0 (R13) | Band | Low HF (LF) MHz | High HF (LF) MHz |
|---|---|---|---|---|
| L | L | 0 | 1 (0.180) | 4 (0.480) |
| L | H | 1 | 4 (0.400) | 8 (0.800) |
| H | L | 2 | 8 (0.800) | 16 (1.6) |
| H | H | 3 | 16 (1.6) | 30 (3.0) |
(SEL-0 is at the hairpin lead of R13; SEL-1 is at the hairpin lead of R12)
These notes detail the construction of each of the four bandpass filters, with a simple continuity test at the end of each filter's construction to verify soldering of the leads of the coils.
If you are unfamiliar with toroid and binocular inductor construction, please see the WB5RVZ Construction hints for inductors.
(Note: completed photos of this and the next stage were, unfortunately not taken at stage-end. The completed photos shown are from the final stage, with the uninstalled sections photoshopped out. Apologies.)
Please be aware that a message from Five-Dash concerning new materials provided with the kit affects the choice of wire guages for the coils, as follws:
"One additional change in the RX Ensemble II kit materials has been made where thirty-six feet of #27 AWG wire along with four feet of #30 AWG wire are now supplied in the kit. The heaver gage #27 wire is for winding L1 through L12 so that the inductors will stand upright in a better way on the finished receiver board. The #30 lighter gage wire is still needed for winding T1 through T3 transformers. The bill of materials and the schematic pages on our website have been updated to include these changes."
Theory of Operation
Stage Schematic
Go to Top of Page
Click here for full schematic
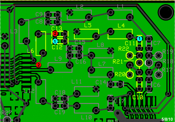
(Red dots represent the "hairpin" (or left-hand or topmost) lead of the component)
Summary Build Notes
- Install BPF In/Out Components
- Install and Continuity Test the Band 0 BPF
- Install the Band 0 Inductors
- Install the Band 0 Static Components
- Install and Continuity Test the Band 1 BPF
- Install the Band 1 Inductors
- Install the Band 1 Static Components
- Install and Continuity Test the Band 2 BPF
- Install the Band 2 Inductors
- Install the Band 2 Static Components
- Install and Continuity Test the Band 3 BPF
- Install the Band 3 Inductors
- Install the Band 3 Static Components
- Install Bottomside Components
- Install Antenna Jack
- Test the Stage
Auto Band Pass Filters Bill of Materials
(HF band option)
(details for installation of each component are provided in the step instructions, further down the page)
Be sure to use the correct wire gauge when winding inductor(s)
| Check | Type | Category | Component | Count | Marking | Image |
|---|---|---|---|---|---|---|
| ☐ | Capacitor | Ceramic | 100 pF 5% | 2 | 101 |
|
| ☐ | Capacitor | Ceramic | 180 pF 5% | 2 | 181 |
|
| ☐ | Capacitor | Ceramic | 330 pF | 1 | 331 |
|
| ☐ | Capacitor | Ceramic | 390 pF 5% | 2 | 391 |
|
| ☐ | Capacitor | Ceramic | 680 pF 5% | 3 | 681 |
|
| ☐ | Capacitor | Ceramic | 1500 pF 10% | 2 | 152 |
|
| ☐ | Capacitor | Ceramic | 0.047 uF 5% | 2 | 473 |
|
| ☐ | Capacitor | SMT 1206 | 0.1 uF | 6 | (smt) black stripe |
|
| ☐ | connector | Jack | BNC Connector Male - PCB mount | 1 |
|
|
| ☐ | IC | SOIC-16 | FST3253 mux/demux switch | 2 | FST3253 ESD!!! |
|
| ☐ | inductor | Binocular core | BN-43-2402 (no markings!) | 2 | none |
|
| ☐ | inductor | Toroid | T25-6 toroid core | 6 | yellow |
|
| ☐ | inductor | Toroid | T30-2 toroid core | 6 | red |
|
| ☐ | Inductor | coil | 0.13uH: 7T #30 on T25-6 core | 1 | yellow | (magnetic wire) |
| ☐ | Inductor | coil | 0.46uH: 13T #30 on T25-6 core | 2 | yellow | (magnetic wire) |
| ☐ | Inductor | coil | 0.46uH: 10T #30(8in) on T30-2(red) | 1 | red | (magnetic wire) |
| ☐ | Inductor | coil | 1uH: 19T #30(9in) on T25-6(yel) | 2 | yellow | (magnetic wire) |
| ☐ | inductor | Coil | 2uH: 21T #30(13in) on T30-2(red) | 2 | red | (magnetic wire) |
| ☐ | Inductor | coil | 2.6uH: 24T #30(15in) on T30-2(red) | 1 | red | (magnetic wire) |
| ☐ | Inductor | coil | 5.5uH: 35T #30(20in) on T30-2(red) | 2 | red | (magnetic wire) |
| ☐ | Inductor | xfrmr | 23.04uH: 4T(bi)T #30(8 (2x4)in) on BN43-2402 | 1 | (magnetic wire) | |
| ☐ | Inductor | xfrmr | 23.04uH: 4T/2T(bi)T #30(9(4/2x2.5)in) on BN43-2402 | 1 | (magnetic wire) | |
| ☐ | Inductor | coil | 0.27uH: 10T #30 on T25-6 c(yellow) | 1 | yellow | (magnetic wire) |
| ☐ | Resistor | 1/4W | 10 ohm 1/4W 1% | 2 | br-blk-blk-gld-br |
|
| ☐ | Resistor | 1/6W | 75 1/6W 5% | 4 | vio-grn-blk-gld |
|
| ☐ | Resistor | 1/6W | 120 1/6W 5% | 2 | brn-red-brn-gld |
|
| ☐ | Resistor | 1/6W | 2.2k 1/6W 5% | 6 | red-red-red-gld |
|
| ☐ | wire | Cutoff | shunt wire (cut-off lead) | 1 | ||
| ☐ | wire | Magnetic | Magnetic Wire, enameled #30 | 4 |
Go to Top of Page
Detailed Build Steps
Install BPF In/Out Components
Inductor Information
Common Techniques:
- Wire Gauge: remember the higher the number, the thinner the wire. E.g., #30 wire is thinner than #26 wire.
-
One turn:
- For toroids, one turn is a single pass through the center hole.
- For binocular cores, one turn is a pass in which the wire goes in the bottom, comes out the top, goes back in the other hole at the top, and comes out the other hole at the bottom.
- Bi (tri) filar means 2(3) equal lengths of wire. You get the bi(tri)filar strand by taking the length of wire specified for the primary winding, folding it into half(thirds), twisting it to 3~ twists per inch, and winding it over the primary winding. One end of such a strand will have two(three) leads; the other end will have a "hairpin" bend (and a single lead in the case of tri-filar).
- Multi-filar windings are usually done AFTER the uni-filar winding is done.
- Windings shoud be evenly spaced and ideally made such that the winding covers ~345 degrees of the toroid
- Inductance values given are for the single (uni-filar) winding. They are provided to help verify turn counts and core material selected. It's often reported inductances are higher using the theoretical number of turns as calculated by the manufacturer's windings calculator tool, e.g. http://toroids.info/. Normally though these are not too critical, especially with the LF bands antenna noise will still be seen.
-
Toroid nomenclature provides the outside diameter of the toroid (in hundredths
of an inch - the "30" in "T30-2"), and material code (the "2" in "T30-2").
Color codes used in these kits are:
- 2=Red
- 3=Gray
- 6=Yellow
- 7=White
- 10=Black
- 12=Green (with White on opposite side)
Inductors In This Step
T02XFRMR: 23.04uH: 4T(bi)T #30(8 (2x4)in) on BN43-2402
Primary/Secondary using a total of approximately 8 inches of #30 wire, wind 4 turns , bifilar, on a BN-43-2402 ferrite.Inductance of the single winding (usually the primary) is 23.04 uH.
XFRMR: 23.04uH: 4T/2T(bi)T #30(9(4/2x2.5)in) on BN43-2402
Primary: Using approximately 4 inches of #30 wire, wind 4 turns on a BN-43-2402 ferrite.
Secondary: Using a total of 5 inches of #30 wire, wind 2 turns , bifilar, on the ferrite in the same direction as the primary winding. Inductance of the single winding (usually the primary) is 23.04 uH.

Includes winding and installing the two binocular transformers, T2 and T3.

T2 has a single primary and a single secondary windings; T3 one primary and two secondary windings.
ALERT! Original Ensemble RXII PCB layouts have an error in the placement of the leads for T2, the Antenna isolation transformer. If the antenna isolation transformer is not connected properly then the outer of the antenna coax will be prone to common mode currents causing noise pickup on receive. The principle is that the grounded side of the isolation transformers should go to the same end of the primary and secondary. The two wires that come from the same hole in the binocular core.:must be switched (for one of the windings, primary orsecondary - your choice). See the article by Alan G4ZFQ for IMPORTANT details.
The T3 secondary windings are connected by a trace on the board such that the secondary winding ends not connected together are 180 degrees phase different. Only one secondary winding is connected through the QSD switches of U10 at any instant of time resulting in signal integration on capacitors C20 and C21. T3 also provides a 4:1 Z transformation from the BPF to the QSD circuit.
Once the transformers are wound and installed, you should turn the board over and run continuity tests on the primary and secondary windings, per the above diagram
| Check | Designation | Component (top/bottom) | Orientation | Marking | Image | Band | Notes |
|---|---|---|---|---|---|---|---|
| ☐ | R23 | 2.2k 1/6W 5% (top) | W-E | red-red-red-gld |
|
any | |
| ☐ | T02 | 23.04uH: 4T(bi)T #30(8 (2x4)in) on BN43-2402 (top) |
|
HF | Note: see above note about switching leads. |
||
| ☐ | T02-core | BN-43-2402 (no markings!) (top) | none |
|
any | ||
| ☐ | T03 | 23.04uH: 4T/2T(bi)T #30(9(4/2x2.5)in) on BN43-2402 (top) |
|
HF | |||
| ☐ | T03-core | BN-43-2402 (no markings!) (top) | none |
|
any | ||
| ☐ | R15 | 2.2k 1/6W 5% (top) | N-S | red-red-red-gld |
|
any | |
| ☐ | R16 | 2.2k 1/6W 5% (top) | N-S | red-red-red-gld |
|
any | |
| ☐ | R24 | 2.2k 1/6W 5% (top) | W-E | red-red-red-gld |
|
any | |
| ☐ | R25 | 10 ohm 1/4W 1% (top) | E-W | br-blk-blk-gld-br |
|
any | |
| ☐ | R26 | 10 ohm 1/4W 1% (top) | E-W | br-blk-blk-gld-br |
|
any | |
| ☐ | R27 | 2.2k 1/6W 5% (top) | red-red-red-gld |
|
any | ||
| ☐ | R28 | 2.2k 1/6W 5% (top) | red-red-red-gld |
|
any |
Install and Continuity Test the Band 0 BPF
In this step and the two steps following it, you will build the bandpass filter for the band 0 passband.
| Check | Designation | Component (top/bottom) | Orientation | Marking | Image | Band | Notes |
|---|---|---|---|---|---|---|---|
| ☐ | magwire_165in | Magnetic Wire, enameled #30 (top) | any |
Install the Band 0 Inductors
Inductor Information
Common Techniques:
- Wire Gauge: remember the higher the number, the thinner the wire. E.g., #30 wire is thinner than #26 wire.
-
One turn:
- For toroids, one turn is a single pass through the center hole.
- For binocular cores, one turn is a pass in which the wire goes in the bottom, comes out the top, goes back in the other hole at the top, and comes out the other hole at the bottom.
- Bi (tri) filar means 2(3) equal lengths of wire. You get the bi(tri)filar strand by taking the length of wire specified for the primary winding, folding it into half(thirds), twisting it to 3~ twists per inch, and winding it over the primary winding. One end of such a strand will have two(three) leads; the other end will have a "hairpin" bend (and a single lead in the case of tri-filar).
- Multi-filar windings are usually done AFTER the uni-filar winding is done.
- Windings shoud be evenly spaced and ideally made such that the winding covers ~345 degrees of the toroid
- Inductance values given are for the single (uni-filar) winding. They are provided to help verify turn counts and core material selected. It's often reported inductances are higher using the theoretical number of turns as calculated by the manufacturer's windings calculator tool, e.g. http://toroids.info/. Normally though these are not too critical, especially with the LF bands antenna noise will still be seen.
-
Toroid nomenclature provides the outside diameter of the toroid (in hundredths
of an inch - the "30" in "T30-2"), and material code (the "2" in "T30-2").
Color codes used in these kits are:
- 2=Red
- 3=Gray
- 6=Yellow
- 7=White
- 10=Black
- 12=Green (with White on opposite side)
Inductors In This Step
L01COIL: 5.5uH: 35T #30(20in) on T30-2(red)
Using approximately 20 inches of #30 wire, wind 35 turns on a 0.30 inch od T30-2 (red) ferrite. Inductance = 5.50 uH.
COIL: 2.6uH: 24T #30(15in) on T30-2(red)
Using approximately 15 inches of #30 wire, wind 24 turns on a 0.30 inch od T30-2 (red) ferrite. Inductance = 2.60 uH.
COIL: 5.5uH: 35T #30(20in) on T30-2(red)
Using approximately 20 inches of #30 wire, wind 35 turns on a 0.30 inch od T30-2 (red) ferrite. Inductance = 5.50 uH.
First, you want to wind and install the coils and then continuity test them. The continuity test checks for continuity between the points labeled "1" and then tests the continuity between the points labeled "2". Wherever possible, the test points have been assigned to vias removed from but electrically connected to the coils' vias, so as to give a good test of the soldering.
| Check | Designation | Component (top/bottom) | Orientation | Marking | Image | Band | Notes |
|---|---|---|---|---|---|---|---|
| ☐ | L01 | 5.5uH: 35T #30(20in) on T30-2(red) (top) | red |
|
HF | ||
| ☐ | L01-core | T30-2 toroid core (top) | red |
|
HF | ||
| ☐ | L02 | 2.6uH: 24T #30(15in) on T30-2(red) (top) | red |
|
HF | ||
| ☐ | L02-core | T30-2 toroid core (top) | red |
|
HF | ||
| ☐ | L03 | 5.5uH: 35T #30(20in) on T30-2(red) (top) | red |
|
HF | ||
| ☐ | L03-core | T30-2 toroid core (top) | red |
|
HF |
Install the Band 0 Static Components
Once you have successfully verified continuity, you can proceed to install the remaining parts for the passband.
| Check | Designation | Component (top/bottom) | Orientation | Marking | Image | Band | Notes |
|---|---|---|---|---|---|---|---|
| ☐ | C06 | 0.047 uF 5% (top) | vert | 473 |
|
HF | (jumper for LF) |
| ☐ | C07 | 680 pF 5% (top) | vert | 681 |
|
HF | |
| ☐ | C08 | 1500 pF 10% (top) | horiz | 152 |
|
HF | |
| ☐ | C09 | 680 pF 5% (top) | horiz | 681 |
|
HF | |
| ☐ | R17 | 75 1/6W 5% (top) | S-N | vio-grn-blk-gld |
|
HF | |
| ☐ | R18 | 120 1/6W 5% (top) | N-S | brn-red-brn-gld |
|
HF | (jumper for LF) |
| ☐ | R19 | 75 1/6W 5% (top) | E-W | vio-grn-blk-gld |
|
HF |
Install and Continuity Test the Band 1 BPF
In this step and the two steps following it, you will build the bandpass filter for the band 1 passband.
First, you want to wind and install the coils and then continuity test them. The continuity test checks for continuity between the points labeled "1" and then tests the continuity between the points labeled "2". Wherever possible, the test points have been assigned to vias removed from but electrically connected to the coils' vias, so as to give a good test of the soldering.
Once you have successfully verified continuity, you can proceed to install the remaining parts for the passband.
| Check | Designation | Component (top/bottom) | Orientation | Marking | Image | Band | Notes |
|---|---|---|---|---|---|---|---|
| ☐ | magwire_90in | Magnetic Wire, enameled #30 (top) | any |
Install the Band 1 Inductors
Inductor Information
Common Techniques:
- Wire Gauge: remember the higher the number, the thinner the wire. E.g., #30 wire is thinner than #26 wire.
-
One turn:
- For toroids, one turn is a single pass through the center hole.
- For binocular cores, one turn is a pass in which the wire goes in the bottom, comes out the top, goes back in the other hole at the top, and comes out the other hole at the bottom.
- Bi (tri) filar means 2(3) equal lengths of wire. You get the bi(tri)filar strand by taking the length of wire specified for the primary winding, folding it into half(thirds), twisting it to 3~ twists per inch, and winding it over the primary winding. One end of such a strand will have two(three) leads; the other end will have a "hairpin" bend (and a single lead in the case of tri-filar).
- Multi-filar windings are usually done AFTER the uni-filar winding is done.
- Windings shoud be evenly spaced and ideally made such that the winding covers ~345 degrees of the toroid
- Inductance values given are for the single (uni-filar) winding. They are provided to help verify turn counts and core material selected. It's often reported inductances are higher using the theoretical number of turns as calculated by the manufacturer's windings calculator tool, e.g. http://toroids.info/. Normally though these are not too critical, especially with the LF bands antenna noise will still be seen.
-
Toroid nomenclature provides the outside diameter of the toroid (in hundredths
of an inch - the "30" in "T30-2"), and material code (the "2" in "T30-2").
Color codes used in these kits are:
- 2=Red
- 3=Gray
- 6=Yellow
- 7=White
- 10=Black
- 12=Green (with White on opposite side)
Inductors In This Step
L04COIL: 2uH: 21T #30(13in) on T30-2(red)
Using approximately 14 inches of #30 wire, wind 21 turns on a 0.30 inch od T30-2 (red) ferrite. Inductance = 2.00 uH.
COIL: 0.46uH: 10T #30(8in) on T30-2(red)
Using approximately 8 inches of #30 wire, wind 10 turns on a 0.30 inch od T30-2 (red) ferrite. Inductance = 0.46 uH.
COIL: 2uH: 21T #30(13in) on T30-2(red)
Using approximately 14 inches of #30 wire, wind 21 turns on a 0.30 inch od T30-2 (red) ferrite. Inductance = 2.00 uH.
First, you want to wind and install the coils and then continuity test them. The continuity test checks for continuity between the points labeled "1" and then tests the continuity between the points labeled "2". Wherever possible, the test points have been assigned to vias removed from but electrically connected to the coils' vias, so as to give a good test of the soldering.
| Check | Designation | Component (top/bottom) | Orientation | Marking | Image | Band | Notes |
|---|---|---|---|---|---|---|---|
| ☐ | L04-core | T30-2 toroid core (top) | red |
|
any | ||
| ☐ | L05 | 0.46uH: 10T #30(8in) on T30-2(red) (top) | red |
|
HF | ||
| ☐ | L05-core | T30-2 toroid core (top) | red |
|
any | ||
| ☐ | L04 | 2uH: 21T #30(13in) on T30-2(red) (top) | red |
|
HF | ||
| ☐ | L06 | 2uH: 21T #30(13in) on T30-2(red) (top) | red |
|
HF | ||
| ☐ | L06-core | T30-2 toroid core (top) | red |
|
any |
Install the Band 1 Static Components
Once you have successfully verified continuity, you can proceed to install the remaining parts for the passband.
| Check | Designation | Component (top/bottom) | Orientation | Marking | Image | Band | Notes |
|---|---|---|---|---|---|---|---|
| ☐ | C10 | 0.047 uF 5% (top) | vert | 473 |
|
HF | (jumper for LF) |
| ☐ | C11 | 390 pF 5% (top) | vert | 391 |
|
HF | |
| ☐ | C12 | 1500 pF 10% (top) | horiz | 152 |
|
HF | |
| ☐ | C13 | 390 pF 5% (top) | horiz | 391 |
|
HF | |
| ☐ | R20 | 75 1/6W 5% (top) | S-N | vio-grn-blk-gld |
|
HF | |
| ☐ | R21 | 120 1/6W 5% (top) | N-S | brn-red-brn-gld |
|
HF | (jumper for LF) |
| ☐ | R22 | 75 1/6W 5% (top) | W-E | vio-grn-blk-gld |
|
HF |
Install and Continuity Test the Band 2 BPF
In this step and the two steps following it, you will build the bandpass filter for the band 2 passband.
First, you want to wind and install the coils and then continuity test them. The continuity test checks for continuity between the points labeled "1" and then tests the continuity between the points labeled "2". Wherever possible, the test points have been assigned to vias removed from but electrically connected to the coils' vias, so as to give a good test of the soldering.
Once you have successfully verified continuity, you can proceed to install the remaining parts for the passband.
| Check | Designation | Component (top/bottom) | Orientation | Marking | Image | Band | Notes |
|---|---|---|---|---|---|---|---|
| ☐ | magwire_67in | Magnetic Wire, enameled #30 (top) | any |
Install the Band 2 Inductors
Inductor Information
Common Techniques:
- Wire Gauge: remember the higher the number, the thinner the wire. E.g., #30 wire is thinner than #26 wire.
-
One turn:
- For toroids, one turn is a single pass through the center hole.
- For binocular cores, one turn is a pass in which the wire goes in the bottom, comes out the top, goes back in the other hole at the top, and comes out the other hole at the bottom.
- Bi (tri) filar means 2(3) equal lengths of wire. You get the bi(tri)filar strand by taking the length of wire specified for the primary winding, folding it into half(thirds), twisting it to 3~ twists per inch, and winding it over the primary winding. One end of such a strand will have two(three) leads; the other end will have a "hairpin" bend (and a single lead in the case of tri-filar).
- Multi-filar windings are usually done AFTER the uni-filar winding is done.
- Windings shoud be evenly spaced and ideally made such that the winding covers ~345 degrees of the toroid
- Inductance values given are for the single (uni-filar) winding. They are provided to help verify turn counts and core material selected. It's often reported inductances are higher using the theoretical number of turns as calculated by the manufacturer's windings calculator tool, e.g. http://toroids.info/. Normally though these are not too critical, especially with the LF bands antenna noise will still be seen.
-
Toroid nomenclature provides the outside diameter of the toroid (in hundredths
of an inch - the "30" in "T30-2"), and material code (the "2" in "T30-2").
Color codes used in these kits are:
- 2=Red
- 3=Gray
- 6=Yellow
- 7=White
- 10=Black
- 12=Green (with White on opposite side)
Inductors In This Step
L07COIL: 1uH: 19T #30(9in) on T25-6(yel)
Using approximately 10 inches of #30 wire, wind 19 turns on a 0.25 inch od T25-6 (yellow) ferrite. Inductance = 1.00 uH.
COIL: 0.27uH: 10T #30 on T25-6 c(yellow)
Using approximately 7 inches of #30 wire, wind 10 turns on a 0.25 inch od T25-6 (yellow) ferrite. Inductance = 27.00 uH.
COIL: 1uH: 19T #30(9in) on T25-6(yel)
Using approximately 10 inches of #30 wire, wind 19 turns on a 0.25 inch od T25-6 (yellow) ferrite. Inductance = 1.00 uH.
First, you want to wind and install the coils and then continuity test them. The continuity test checks for continuity between the points labeled "1" and then tests the continuity between the points labeled "2". Wherever possible, the test points have been assigned to vias removed from but electrically connected to the coils' vias, so as to give a good test of the soldering.
| Check | Designation | Component (top/bottom) | Orientation | Marking | Image | Band | Notes |
|---|---|---|---|---|---|---|---|
| ☐ | L07 | 1uH: 19T #30(9in) on T25-6(yel) (top) | yellow |
|
HF | ||
| ☐ | L07-core | T25-6 toroid core (top) | yellow |
|
HF | ||
| ☐ | L08 | 0.27uH: 10T #30 on T25-6 c(yellow) (top) | yellow |
|
HF | changed from #24 wire | |
| ☐ | L08-core | T25-6 toroid core (top) | yellow |
|
HF | ||
| ☐ | L09 | 1uH: 19T #30(9in) on T25-6(yel) (top) | yellow |
|
HF | ||
| ☐ | L09-core | T25-6 toroid core (top) | yellow |
|
HF |
Install the Band 2 Static Components
Once you have successfully verified continuity, you can proceed to install the remaining parts for the passband.
| Check | Designation | Component (top/bottom) | Orientation | Marking | Image | Band | Notes |
|---|---|---|---|---|---|---|---|
| ☐ | C14 | 180 pF 5% (top) | horiz | 181 |
|
HF | |
| ☐ | C15 | 680 pF 5% (top) | horiz | 681 |
|
HF | |
| ☐ | C16 | 180 pF 5% (top) | horiz | 181 |
|
HF |
Install and Continuity Test the Band 3 BPF
In this step and the two steps following it, you will build the bandpass filter for the band 3 passband.
First, you want to wind and install the coils and then continuity test them. The continuity test checks for continuity between the points labeled "1" and then tests the continuity between the points labeled "2". Wherever possible, the test points have been assigned to vias removed from but electrically connected to the coils' vias, so as to give a good test of the soldering.
Once you have successfully verified continuity, you can proceed to install the remaining parts for the passband.
| Check | Designation | Component (top/bottom) | Orientation | Marking | Image | Band | Notes |
|---|---|---|---|---|---|---|---|
| ☐ | magwire_47in | Magnetic Wire, enameled #30 (top) | any |
Install the Band 3 Inductors
Inductor Information
Common Techniques:
- Wire Gauge: remember the higher the number, the thinner the wire. E.g., #30 wire is thinner than #26 wire.
-
One turn:
- For toroids, one turn is a single pass through the center hole.
- For binocular cores, one turn is a pass in which the wire goes in the bottom, comes out the top, goes back in the other hole at the top, and comes out the other hole at the bottom.
- Bi (tri) filar means 2(3) equal lengths of wire. You get the bi(tri)filar strand by taking the length of wire specified for the primary winding, folding it into half(thirds), twisting it to 3~ twists per inch, and winding it over the primary winding. One end of such a strand will have two(three) leads; the other end will have a "hairpin" bend (and a single lead in the case of tri-filar).
- Multi-filar windings are usually done AFTER the uni-filar winding is done.
- Windings shoud be evenly spaced and ideally made such that the winding covers ~345 degrees of the toroid
- Inductance values given are for the single (uni-filar) winding. They are provided to help verify turn counts and core material selected. It's often reported inductances are higher using the theoretical number of turns as calculated by the manufacturer's windings calculator tool, e.g. http://toroids.info/. Normally though these are not too critical, especially with the LF bands antenna noise will still be seen.
-
Toroid nomenclature provides the outside diameter of the toroid (in hundredths
of an inch - the "30" in "T30-2"), and material code (the "2" in "T30-2").
Color codes used in these kits are:
- 2=Red
- 3=Gray
- 6=Yellow
- 7=White
- 10=Black
- 12=Green (with White on opposite side)
Inductors In This Step
L10COIL: 0.46uH: 13T #30 on T25-6 core
Using approximately 8 inches of #30 wire, wind 13 turns on a 0.25 inch od T25-6 (yellow) ferrite. Inductance = 0.46 uH.
COIL: 0.13uH: 7T #30 on T25-6 core
Using approximately 6 inches of #30 wire, wind 7 turns on a 0.25 inch od T25-6 (yellow) ferrite. Inductance = 0.13 uH.
COIL: 0.46uH: 13T #30 on T25-6 core
Using approximately 8 inches of #30 wire, wind 13 turns on a 0.25 inch od T25-6 (yellow) ferrite. Inductance = 0.46 uH.
First, you want to wind and install the coils and then continuity test them. The continuity test checks for continuity between the points labeled "1" and then tests the continuity between the points labeled "2". Wherever possible, the test points have been assigned to vias removed from but electrically connected to the coils' vias, so as to give a good test of the soldering.
| Check | Designation | Component (top/bottom) | Orientation | Marking | Image | Band | Notes |
|---|---|---|---|---|---|---|---|
| ☐ | L10 | 0.46uH: 13T #30 on T25-6 core (top) | yellow |
|
HF | changed from #24 wire | |
| ☐ | L10-core | T25-6 toroid core (top) | yellow |
|
HF | ||
| ☐ | L11 | 0.13uH: 7T #30 on T25-6 core (top) | yellow |
|
HF | changed from #24 wire | |
| ☐ | L11-core | T25-6 toroid core (top) | yellow |
|
HF | ||
| ☐ | L12 | 0.46uH: 13T #30 on T25-6 core (top) | yellow |
|
HF | changed from #24 wire | |
| ☐ | L12-core | T25-6 toroid core (top) | yellow |
|
HF |
Install the Band 3 Static Components
Once you have successfully verified continuity, you can proceed to install the remaining parts for the passband.
| Check | Designation | Component (top/bottom) | Orientation | Marking | Image | Band | Notes |
|---|---|---|---|---|---|---|---|
| ☐ | C17 | 100 pF 5% (top) | vert | 101 |
|
HF | |
| ☐ | C18 | 330 pF (top) | horiz | 331 |
|
HF | Changed in 2016 from 390 to 330 pF (Thanks to Thomas Martin, DF7TV) |
| ☐ | C19 | 100 pF 5% (top) | horiz | 101 |
|
HF |
Install Bottomside Components
| Check | Designation | Component (top/bottom) | Orientation | Marking | Image | Band | Notes |
|---|---|---|---|---|---|---|---|
| ☐ | U08 | FST3253 mux/demux switch ((bottom)) | FST3253 ESD!!! |
|
any |
Take extreme care working with this component. Always use ESD precautions.
|
|
| ☐ | U09 | FST3253 mux/demux switch ((bottom)) | FST3253 ESD!!! |
|
any |
Take extreme care working with this component. Always use ESD precautions.
|
|
| ☐ | C37 | 0.1 uF ((bottom)) | white pads | (smt) black stripe |
|
any | |
| ☐ | C38 | 0.1 uF ((bottom)) | white pads | (smt) black stripe |
|
any | |
| ☐ | C39 | 0.1 uF ((bottom)) | white pads | (smt) black stripe |
|
any | |
| ☐ | C40 | 0.1 uF ((bottom)) | white pads | (smt) black stripe |
|
any | |
| ☐ | C41 | 0.1 uF ((bottom)) | white pads | (smt) black stripe |
|
any | |
| ☐ | C42 | 0.1 uF ((bottom)) | white pads | (smt) black stripe |
|
any |
Install Antenna Jack
Note that there is an optional grounding via for the return side of the antenna connection. Normally, you would NOT want to ground this to regular circuit ground. However, there is some further discussion of this issue in this message thread in the Softrock40 reflector. One message suggested substituting a 4.7k ohm resistor for the grounding jumper to eliminate 60 Hz hum in the rx.
| Check | Designation | Component (top/bottom) | Orientation | Marking | Image | Band | Notes |
|---|---|---|---|---|---|---|---|
| ☐ | J04 | BNC Connector Male - PCB mount (top) |
|
any | |||
| ☐ | jmpr_ant | shunt wire (cut-off lead) (top) | any | (see note) |
Test the Auto Band Pass Filters Stage
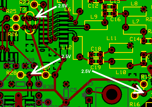
Auto Band Pass Filters - Voltage Divider Tests
With Power and USB connected, test the output of the three voltage dividers in this stage. Each should yield approximately one-half the voltage on the 5V rail.
Trouble-Shooting the Voltage Dividers
If either of the two voltage dividers does not yield the expected value, check to be certain that the resistors are all 2.2K (red-red-red-gld ). You may also want to use the Utility Voltage Divider Calculator to plug in your actually measured voltage and calculate the resistor values that would cause your unexpected result.
Trouble Shooting R15/R16
Assuming you have the correct resistors and you are getting near zero at the junction, look for something that could short that junction to ground:
- C37
- T2 (windings shorted together)
- soldering on R16
Trouble Shooting R23/R24
Assuming you have the correct resistors and you are getting near zero at the junction, look for something that could short that junction to ground:
- C40
- T3 (windings shorted together)
- soldering on R24
Trouble Shooting R28/R27
Assuming you have the correct resistors and you are getting near zero at the junction, look for something that could short that junction to ground:
- C42
- C41
- soldering on R28
Go to Top of Page
Test Steps (if any)
| Step | Test Point | UOM | Nominal | Author's | Builder's |
|---|---|---|---|---|---|
| 1 | R15 Hairpin lead (R15/R16 voltage divider) | V dc | 2.5 | 2.47 | |
| 2 | Either of the Primary leads of T3 (R23/R24 voltage divider) | V dc | 2.5 | 2.47 | |
| 3 | R28 Hairpin lead (R27/R28 voltage divider) | V dc | 2.5 | 2.47 |
Go to Top of Page
Auto Band Pass Filters - Pin Voltages on the Ics
Run the Filter Selection Test from the LO and Control Stage, only instead of measuring the voltages at the hairpin leads of R12 and R13, measure the voltages at the 2 and 14 PINS (not the pads) of U8 and U9. This will validate that the pins were correctly soldered to the pads and are getting the switching signals.
Perform the tests below for each of U8 and U9
If you are building the LF option, you will need to changet the frequencies to ones that are within the pass band of each filter:
| Band | Midband (kHz) |
|---|---|
| Band 0 | 330 |
| Band 1 | 600 |
| Band 2 | 1200 |
| Band 3 | 2300 |
Go to Top of Page
Test Steps (if any)
| Step | Test Point | UOM | Nominal | Author's | Builder's |
|---|---|---|---|---|---|
| 1 | LO=2 MHz (band 0) - Test pin 2 (FL SEL 1) | V dc | 0 | 100 mV | |
| 2 | LO=2 MHz (band 0) - Test pin 14 (FL SEL 0) | V dc | 0 | 100 mV | |
| 3 | LO=6 MHz (band 1) - Test pin 2 (FL SEL 1) | V dc | 0 | 100 mV | |
| 4 | LO=6 MHz (band 1) - Test pin 14 (FL SEL 0) | V dc | 5 | 4.92 | |
| 5 | LO=12 MHz (band 2) - Test pin 2 (FL SEL 1) | V dc | 5 | 4.92 | |
| 6 | LO=12 MHz (band 2) - Test pin 14 (FL SEL 0) | V dc | 0 | 100 mV | |
| 7 | LO=24 MHz (band 3) - Test pin 2 (FL SEL 1) | V dc | 5 | 4.92 | |
| 8 | LO=24 MHz (band 3) - Test pin 14 (FL SEL 0) | V dc | 5 | 4.92 |
Go to Top of Page
Auto Band Pass Filters - (Optional) RF Test
If you have a scope and a signal source (or an RF probe and a signal source)
Inject an RF signal of around 50-100 mV at the antenna jack, determine which band should switch for that RF signal, and probe the pins of U8 and U9 which should be switched to that signal:
| Band | Switched Pins |
|---|---|
| Band 0 (1-4 MHz) | 6 & 10 |
| Band 1 (4-8 MHz) | 5 & 11 |
| Band 2 (8-16 MHz) | 4 & 12 |
| Band 3 (16-30 MHz) | 3 & 13 |
Adjust the frequencies above if you are building the LF kit
Your scope should show the signal at the switched pins and not at any of the other pins.
Go to Top of Page
Test Steps (if any)
Go to Top of Page