Softrock Lite II Softrock Lite II: Band Pass Filter
Band: 20m
Introduction
General Info About the Stage
Remember, when winding toroidal inductors, a single pass through the core counts as 1 turn. You might want to review Leonard KC0WOX's excellent 10-minute video on winding toroidal coils and transformers.
Also, please refer to the common component mounting instructions for toroids
Theory of Operation
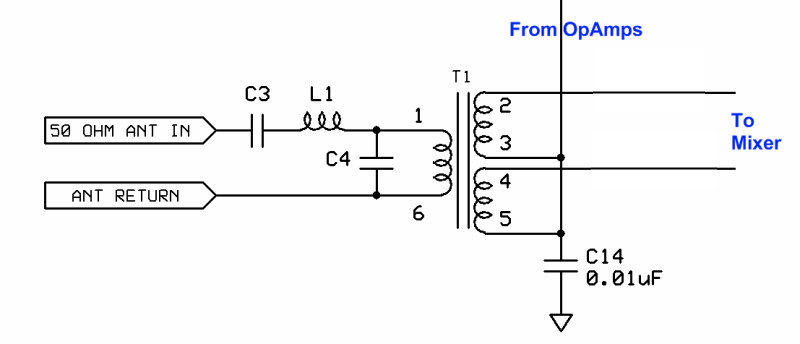
The purpose of this stage is to pass the Radio Frequency signals within the receiver band to the mixer stage and to attenuate unwanted signals which are not within the designed passband for the filter.
This attenuation is especially important, since it permits the 1⁄3 harmonic sampling in the mixer for the higher bands. Without that attenuation, for example, the 20m kit would be responding to signals in the region of 4.6825 MHz rather than to the designed response in the region of the 3rd harmonic of 14.0475 MHz!
For further information on the subharmonic sampling effect, refer to this topic on the Yahoo Reflector.
Go to Top of Page
Stage Schematic

Go to Top of Page
Board Layouts
Board Top

Go to Top of Page
Board Bottom

Go to Top of Page
Band Pass Filter Bill of Materials
( 20m band option)
(details for installation of each component are provided in the step instructions, further down the page)
Be sure to use the correct wire gauge when winding inductor(s)
Check | Type | Category | Component | Count | Marking | Image |
---|---|---|---|---|---|---|
☐ | Capacitor | Ceramic | 47 pF 5% | 1 | 47J |
![]() |
☐ | Capacitor | Ceramic | 680 pF 5% | 1 | 681 |
![]() |
☐ | inductor | Toroid | T30-6 toroid core | 2 | yellow |
![]() |
☐ | Inductor | Xfrmr | 0.18uH 8T/4T bifilar #30 on T30-6 (yellow) | 1 | yellow | (magnetic wire) |
☐ | Inductor | Coil | 2.5uH 26T #30 on T30-6 (yellow) | 1 | yellow | (magnetic wire) |
Go to Top of Page
Detailed Build Steps
Install Band-specific Capacitors
Install the band-specific capacitors, C3 and C4.
See band-specific chart for values
See hints on identifying and installing Ceramic Capacitors.
Check | Designation | Component (top/bottom) | Orientation | Marking | Image | Band | Notes |
---|---|---|---|---|---|---|---|
☐ | C03 | 47 pF 5% (top) | 47J |
![]() |
20m | ||
☐ | C04 | 680 pF 5% (top) | 681 |
![]() |
20m |
Wind and Install Band-specific L1

Inductor Information
Common Techniques:
- Wire Gauge: remember the higher the number, the thinner the wire. E.g., #30 wire is thinner than #26 wire.
-
One turn:
- For toroids, one turn is a single pass through the center hole.
- For binocular cores, one turn is a pass in which the wire goes in the bottom, comes out the top, goes back in the other hole at the top, and comes out the other hole at the bottom.
- Bi (tri) filar means 2(3) equal lengths of wire. You get the bi(tri)filar strand by taking the length of wire specified for the primary winding, folding it into half(thirds), twisting it to 3~ twists per inch, and winding it over the primary winding. One end of such a strand will have two(three) leads; the other end will have a "hairpin" bend (and a single lead in the case of tri-filar).
- Multi-filar windings are usually done AFTER the uni-filar winding is done.
- Windings shoud be evenly spaced and ideally made such that the winding covers ~345 degrees of the toroid
- Inductance values given are for the single (uni-filar) winding. They are provided to help verify turn counts and core material selected. It's often reported inductances are higher using the theoretical number of turns as calculated by the manufacturer's windings calculator tool, e.g. http://toroids.info/. Normally though these are not too critical, especially with the LF bands antenna noise will still be seen.
-
Toroid nomenclature provides the outside diameter of the toroid (in hundredths
of an inch - the "30" in "T30-2"), and material code (the "2" in "T30-2").
Color codes used in these kits are:
- 2=Red
- 3=Gray
- 6=Yellow
- 7=White
- 10=Black
- 12=Green (with White on opposite side)
Inductors In This Step
L1COIL: 2.5uH 26T #30 on T30-6 (yellow)
Using approximately 16 inches of #30 wire, wind 26 turns on a 0.30 inch od T30-6 (yellow) ferrite. Inductance = 2.50 uH.
Install the band-specific coil, L1.
Also, please refer to the common component mounting instructions for toroids
-
Do you Run Out of Toroid Before You Run Out of Turns?
Occasionally, you may find that there is not enough room on the toroid toplace all of the windings without having to go back and add a layer of winding. Tony Parks suggests that you overlap some turns as you put on windings around the circumference of the core so that all turns are on the core by the time you get back to the start end of the winding. This should have negligible effect on the coil's performance in the radio. -
Coil Orientation
L1 is mounted vertically and supported by its leads. -
Lead Preparation
Be sure to remove the enamel coating on the wire before attempting to solder an inductor lead to its associated mounting hole. There are two different approaches to removing the enamel and tinning the leads:- The enamel coating on the #30 wire provided in the kit does not heat strip very well but may be stripped by use of a small folded over piece of Emory paper where the lead is pulled through two facing surfaces of the Emory paper multiple times to sand off the enamel coating on the wire end. Then you can run each lead through a blob of solder on the hot iron tip to tin it.
- If you have some solder flux (I use the paste kind), you can slather each lead with flux paste and then run each lead through a hot blob of solder to clean and tin the tip. You may have to repeat the process a couple of times to get all the gunk off of the lead. It produces a well-tinned lead with non of the trauma inherent in stripping the enamel with sandpaper or exacto knife.
Check | Designation | Component (top/bottom) | Orientation | Marking | Image | Band | Notes |
---|---|---|---|---|---|---|---|
☐ | L1 | 2.5uH 26T #30 on T30-6 (yellow) (top) | yellow |
![]() |
20m | ||
☐ | L1-core | T30-6 toroid core (top) | yellow |
![]() |
20m |
Wind and Install band-specific T1

Inductor Information
Common Techniques:
- Wire Gauge: remember the higher the number, the thinner the wire. E.g., #30 wire is thinner than #26 wire.
-
One turn:
- For toroids, one turn is a single pass through the center hole.
- For binocular cores, one turn is a pass in which the wire goes in the bottom, comes out the top, goes back in the other hole at the top, and comes out the other hole at the bottom.
- Bi (tri) filar means 2(3) equal lengths of wire. You get the bi(tri)filar strand by taking the length of wire specified for the primary winding, folding it into half(thirds), twisting it to 3~ twists per inch, and winding it over the primary winding. One end of such a strand will have two(three) leads; the other end will have a "hairpin" bend (and a single lead in the case of tri-filar).
- Multi-filar windings are usually done AFTER the uni-filar winding is done.
- Windings shoud be evenly spaced and ideally made such that the winding covers ~345 degrees of the toroid
- Inductance values given are for the single (uni-filar) winding. They are provided to help verify turn counts and core material selected. It's often reported inductances are higher using the theoretical number of turns as calculated by the manufacturer's windings calculator tool, e.g. http://toroids.info/. Normally though these are not too critical, especially with the LF bands antenna noise will still be seen.
-
Toroid nomenclature provides the outside diameter of the toroid (in hundredths
of an inch - the "30" in "T30-2"), and material code (the "2" in "T30-2").
Color codes used in these kits are:
- 2=Red
- 3=Gray
- 6=Yellow
- 7=White
- 10=Black
- 12=Green (with White on opposite side)
Inductors In This Step
T1XFRMR: 0.18uH 8T/4T bifilar #30 on T30-6 (yellow)
Primary: Using approximately 7 inches of #30 wire, wind 8 turns on a 0.30 inch od T30-6 (yellow) ferrite.
Secondary: Using a total of 7 inches of #30 wire, wind 4 turns , bifilar, on the ferrite in the same direction as the primary winding. Inductance of the single winding (usually the primary) is 0.18 uH.
If the transformer T1 is not wired correctly to the six holes on the Lite circuit board it can result in very low receiver sensitivity. You should carefully read this section and study the photo below showing how to mount the transformer.
Also, please refer to the common component mounting instructions for toroids and detailed instructions for T1 in the 20m SR Lite II kit. These resources should help the first-time transformer/coil builder past any concerns in that area.
-
Primary Winding
- The primary winding is of the band-specific number of turns. Wind the primary winding with the specified number of turns of #30 AWG enameled wire so that the primary winding starts and ends at about the same point on the core and is uniformly spread around the core.
-
Secondary Windings
The secondary uses lengths of #30 wire, twisted together into a bifilar pair that has approximately 2-3 twists per inch and is wound over the primary, using the band-specific number of turns.Wind the secondary windings, in the same direction as the primary, with the windings starting and ending just slightly clockwise around the core from where the primary winding starts and ends. -
ID and Tag the Winding Leads
After striping and tinning each transformer lead at about 1/8 of an inch from the core, determine the two pairs of leads of each of the secondary windings by use of an ohmmeter. I like to use short lengths of insulation from hookup wire to identify two of the 3 sets of leads in these transformers. -
Transformer Orientation
(Refer to the graphic, above): Correct wiring is with leads from one side (the "a" side) of the core going to a group of three holes and the leads from the other side (the "b" side) of the core going to the other group of three holes as shown below. - Note the photo above shows the holes for the primary ("P") and each of the two secondary ("S") leads, with the "a" and "b" designating from which side of the core the particular winding's lead should go.
-
for example:
- The primary winding's "b" lead would go into the left-hand "P" hole
- The primary winding's "a" lead would go into the right-hand "P" hole
- The first secondary winding's "b" lead would go into the left-hand "S" hole in the middle row of winding holes
- The first secondary winding's "a" lead would go into the right-hand "S" hole in the middle row of winding holes
- and so on …
- Be careful when threading the leads through the holes to avoid their getting tangled up with nearby components!
Check | Designation | Component (top/bottom) | Orientation | Marking | Image | Band | Notes |
---|---|---|---|---|---|---|---|
☐ | T1 | 0.18uH 8T/4T bifilar #30 on T30-6 (yellow) (top) | yellow |
![]() |
20m | ||
☐ | T1-core | T30-6 toroid core (top) | yellow |
![]() |
20m |
Go to Top of Page
Completed Photos
Note: the completed pictures are of the 40m option, which the author built. Other band options (which the author did not build) will appear slightly different (especially the inductors, whose windings and cores will vary by band) for the band-specific components.
View of Completed Topside

View of Completed Underside

Go to Top of Page
Testing
Overview
Visual Check
Using very good lighting and magnification, carefully inspect the solder joints to identify bridges, cold joints, or poor contacts.
Pay especial attention to the joints on the transformer. Bad solder joints in this stage will have an extreme effect on the sensitivity of the receiver.
Inductor Continuity Tests (NO power)
Test Setup
This tests the continuity through L1 and the T1 primary winding, using testpoints (red dot with letter "P") that test the continuity from connected pads. This helps check the soldering of the leads by placing the probes at points that are connected to the actual solder joint.
Similarly, the secondary windings of T1 are tested for continuity, using the secondary testpoints (red dots with the letter "S").

Test Measurements
Testpoint | Units | Nominal Value | Author's | Yours |
---|---|---|---|---|
Point "P" to point "P" | ohm | 0 | 0 | _______ |
Point "S" to point "S" | ohm | 0 | 0 | _______ |
Voltage Tests
Test Setup
Apply power and measure the voltages WRT (with respect to ground).
Test Measurements
Testpoint | Units | Nominal Value | Author's | Yours |
---|---|---|---|---|
R1 hairpin (hole) | Vdc | ~2.5 | 2.47 | _______ |
R2 hairpin (hole) | Vdc | ~2.5 | 2.47 | _______ |
Resistance Tests (no power)
Test Setup
Remove power from the board and measure the resistance with respect to ground for the T1 secondaries in situ.
Test Measurements
Testpoint | Units | Nominal Value | Author's | Yours |
---|---|---|---|---|
R1 hairpin (hole) | ohms | ~800 | 803 | _______ |
R2 hairpin (hole) | ohms | ~800 | 803 | _______ |
Phasing Test (NO power)
Test Setup
Optional Test - assuming you have a dual channel scope and an RF source that can output a signal close to the band-specific center frequency.
- Conduct this test with the power OFF
- Connect a ~2 volt p-p signal source at around the center frequency into the ANT-IN and RET pads.
- Set up the scope for triggering on Channel 1 .
- Connect the scope probes to the R1 and R2 hairpins (holes) and the ground clips to ground.
- You should have a pair of equal amplitude, opposite phase signals displayed. If they are in phase, you probably aren't triggering the scope on channel 1. If either one is missing, double check the solder connections for T1.
- Thanks to Leonard KC0WOX for this test

Go to Top of Page